
鑄鋼閘閥是以碳素鋼鑄造的楔式閘閥,密封面有一定的自密封能力,它的閥芯靠介質壓力緊緊地與閥座密封面接觸,達到嚴密不漏。楔形閘閥的閥芯斜度一般為3~6度,當強制關閉過量或溫度變化較大的閥芯容易卡死。鑄鋼閘閥是的截斷閥之一,主要用來接通或截斷管路中的介質,不適用于調節介質流量。鑄鋼閘閥適用的壓力、溫度及口徑范圍很大,尤其適用于中、大口徑的管道。
鑄鋼閘閥分類
鑄鋼閘閥:按材料分有碳鋼閘閥、不銹鋼閘閥、低合金鋼閘閥(耐高溫的鉻鉬鋼屬這個類別)、低溫鋼閘閥等。
各類鑄鋼閘閥下又有各種具體鋼種牌號常用如下:
1、碳鋼閘閥鑄件牌號有:WCA、WCB、WCC、LCB等;適用溫度-46度~425度。
2、不銹鋼閘閥鑄件牌號:301不銹鋼、CF8不銹鋼(對應鍛件304不銹鋼)、CF8M不銹鋼(對應鍛件316不銹鋼)等;適用溫度-198度~816度。
3、低合金鋼分高溫合金鋼和高強度低合金鋼,其中高溫合金鋼就是常說的鉻鉬鋼。
鉻鉬鋼閘閥的鑄件牌號:ZG1Cr5Mo、ZG15Cr1MoV、ZG20CrMoV、WC6、WC9、C12A等。適用溫度550度~750度。
每種具體的牌號材料所適用的溫度各不相同,視實際工況條件選用。
在閥門采購中說到鑄鋼閘閥通常就是指WCB牌號的碳鋼閘閥。
鑄鋼閘閥技術方案
在閥桿的出頭端切削一個1/4圓柱的直角缺口,其深度與閘板的開關行程相當,在直角口延伸的平面上印刷上線條、刻度和文字,用來體現鑄鋼閘閥的開關狀態和開通量。該鑄鋼閘閥能有Xiao解決傳統的鑄鋼閘閥存在不能直接觀察開關狀態的缺陷。有益效果提高鑄鋼閘閥的工作性能,方便操作,有利識別開關狀態。
Z41H國標鑄鋼閘閥安裝與維護應注意以下事項:
手輪、手柄及傳動機構均不允許作起吊用,并嚴禁碰撞。 
雙閘板閘閥應垂直安裝(即閥桿處于垂直位置 , 手輪在頂部 )。 
帶有旁通閥的閘閥在開啟前應先打開旁通閥(以平衡進出口的壓差及減小開啟力 )。 
帶傳動機構的閘閥,按產品使用說明書的規定安裝。
如果閥門經常開關使用 , 每月Zhi少潤滑一次。
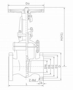
國Ji鑄鋼閘閥尺寸參數




國Ji鑄鋼閘閥鑄造設計要點
 一、要便于制造模型、芯盒和造型:
1、鑄件的內腔應該力求鑄造時不用或少用型芯,當采用型芯時,應該方便其支撐、固定及排氣出砂,必要時應該設有足夠的工藝孔。
2、對于鑄件內外側面及加強肋等結構,應該在起模方向設有一定的結構斜度。
3、鑄件上的凸臺部分與鑄件本體不應該相差過大,取同一高度,同一面上的距離較近的幾個凸臺,連成整體的凸起部分。
4、鑄件的外形應該力求簡單,以便于起模,應該盡量使鑄造分型面為平面,且數目小。 
二、要減少產生鑄造缺陷的傾向:
1、應該盡量避免鑄件內具有大的水平面
2、鑄件平面壁上的鑄孔,應該用凸邊加固,以減少壁厚
3、鑄件結構應該盡可能使其冷卻時能*地收縮
4、鑄件內水路、氣路等大面積的夾層腔,應該有若干連接柱。
5、鑄件壁與壁之間的連接應該嚴防尖角和金屬集聚,厚壁與薄壁之間應該逐漸過渡,嚴防突變,以免造成熱節和應該力集中,形成熱裂、縮松等。
6、鑄件的局部厚斷面,應該盡可能采用挖空或鑄孔結構,并以加強肋適當加固。
7、鑄件的壁厚應該力求均勻,以防止縮孔、熱裂,當需保證順序凝固條件時,應該盡量使其具有朝一個方向變化的壁厚,當需保證同時凝固條件時,應該盡量使其具有等斷面壁厚。
相關產品: